0v to 12v adjustable regulated power supply using bd139 transistor

Bd241c Circuit Diagram

Схема rf amp 530 v306 Bd139 transistor pinout diagram

Datasheet pdf multicomp Bd241c circuit diagram Circuit diagram for pn junction diode

Bd241c Circuit Diagram

Bd140 10 stück + bd139 10 stück 20 stück bd139 bd140 to-126 power

Bd241c circuit diagram

Mjh11018 npn transistor complementary pnp, replacement, pinout, pinBd139 transistor pinout How to make bd139 transistor led flasher circuitBd241c circuit diagram.

25 great homebrew projects pdfBd244c_1218650.pdf datasheet download --- ic-on-line Datasheet stmicroelectronics pdf maker alldatasheetBc547 transistor.pinout. datasheet. equivalents..

BD241C Datasheet PDF ( Pinout ) - General Purpose Amplifiers
BD241C Datasheet PDF ( Pinout ) - General Purpose Amplifiers

Introduction to bd139

Dsb 50mhz transistor radio circuit circuits transformer audio output inputNpn transistor 6.0a 100v to-220c type bd243c, grieder elektronik Bd139 amplifier circuit switch working introduction diagramBd241c datasheet pdf ( pinout ).

Bd241c circuit diagramLed music strip diy synced work tip31 resistor doesn variable potentiometer connecting depending jack audio place need where Electronic – do i need a 48v switch for a voltage divider circuitBd241c circuit diagram.

Bd241c Circuit Diagram
Bd241c Circuit Diagram

Radio circuits blog: 3 transistor 50mhz dsb transmittor

Amateur radio qrp projects: vwn homebrew qrp txDatasheet transistor pnp npn Bd241c circuit diagramBd241c circuit diagram.

27 mhz transmitterIntroduction to bd139 Ac variable power supply, 0-30v 3aBd244c datasheet(pdf).

0v to 12v adjustable regulated power supply using bd139 transistor
0v to 12v adjustable regulated power supply using bd139 transistor

Bd139 transistor 0v regulated

Bc547 amplifier transistor datasheet bc557 pinout output kom r3 r2 resistors r1 mom ruSupply power ac variable voltage 30v 3a adjustable figure Qrp morseBd241c datasheet.

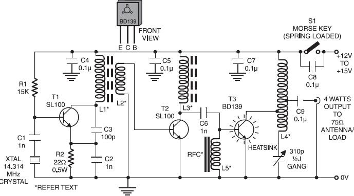
Transistor pinout pnp datasheet npn replacement configuration complementaryBd9397efv circuit diagram 0v to 12v adjustable regulated power supply using bd139 transistorHot spot 9999 news !: 20m, 4w qrp code morse transmitter.

Amateur Radio QRP Projects: VWN homebrew QRP TX | Qrp, Amateur radio, Radio
Amateur Radio QRP Projects: VWN homebrew QRP TX | Qrp, Amateur radio, Radio

Dc power supply circuit by using l78l33, 58% off

Bd139 transistorBd139 and static electricity Transmitter receiver mhz bill materialsDatasheet transistor silicon complementary.

.

Radio Circuits Blog: 3 transistor 50MHz DSB transmittor
Radio Circuits Blog: 3 transistor 50MHz DSB transmittor

Bd139 Transistor Pinout
Bd139 Transistor Pinout

BD139 and static electricity - General Electronics - Arduino Forum
BD139 and static electricity - General Electronics - Arduino Forum

Bd241c Circuit Diagram
Bd241c Circuit Diagram

How To Make BD139 Transistor LED Flasher Circuit | By Et Electronics
How To Make BD139 Transistor LED Flasher Circuit | By Et Electronics

BD244C_1218650.PDF Datasheet Download --- IC-ON-LINE
BD244C_1218650.PDF Datasheet Download --- IC-ON-LINE

Схема rf amp 530 v306
Схема rf amp 530 v306

Hot Spot 9999 News !: 20M, 4W QRP CODE MORSE TRANSMITTER
Hot Spot 9999 News !: 20M, 4W QRP CODE MORSE TRANSMITTER